一分三快

CKPQ26
变压
高阻抗,开放式结构,散热效果好
通用材料,成本低,快速交付
自动化生产确保高质量和一致性
可以根据您的要求定制产品
产品信息
测试参数
阻抗曲线
插入损耗
回波损耗
L频率
TL RMS
饱和电流
Scc21参数
Ssd21参数
共模抑制
漏感频率
Q值曲线
产品用途
1. 适用于AC-DC和DC-DC适配器,也可作为滤波器;
2. 广泛应用于小功率开关电源适配器和LED驱动;
3. 广泛应用于笔记本和其他较大功率的电源适配器;
4. 我们可以根据您的要求定制产品。请联络我们的销售人员。
产品参数
样品申请
系列
型号
PDF
电感值
(μH)
共模阻抗
(Ω)
阻抗
(Ω)
电感/
阻抗公差
测试条件
DCR
(mΩ)
饱和电流
TYP(A)
温升电流
TYP(A)
用途
状态
工作温度
(℃)

(mm)

(mm)

(mm)
封装
屏蔽
材质
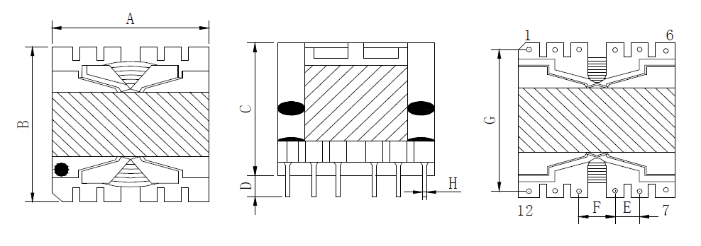
产品3D图
绕线变压器
CKPQ26
-
-
-
-
-
---
---
---
消费品
量产
-
28.5
30.5
27
DIP
Y
铁镍合金
注释
所有数据基于环境温度25℃条件下测试。
电感测试条件为100kHz, 1.0V。
饱和电流:电感值下降其初始值的30%时所加载的实际直流电流值。
温升电流:使产品温度上升到ΔT40℃时所加载的实际直流电流值(Ta=393℃)。
特别提醒:线路设计,组件布局,印刷线路板(PCB)尺寸及厚度,散热系统等均会影响产品温度。
请务必在最终应用时,验证产品发热状况。
保存
产品在包装中的保存条件: 温度 5~40°C,相对湿度小于等于 70%。
如果取出使用,剩余的产品请用胶袋密封按照以上条件保存,避免端子(电极)氧化,影响焊接状态。
产品储存期不建议超过 12 个月,在其他影响下,端子可能会退化,导致焊接性差。
请不要将产品保存于高温、高湿、有尘埃、腐蚀性气体的不适合环境中。
请小心轻放,避免由于产品的跌落或取用不当而引致的损坏。
手上的油脂会导致可焊性降低,应避免用手直接接触端子。
相关产品